דילוג לתוכן
  • חוקי הפורום
  • פופולרי
  • לא נפתר
  • משתמשים
  • חיפוש גוגל בפורום
  • צור קשר
עיצובים
  • Light
  • Brite
  • Cerulean
  • Cosmo
  • Flatly
  • Journal
  • Litera
  • Lumen
  • Lux
  • Materia
  • Minty
  • Morph
  • Pulse
  • Sandstone
  • Simplex
  • Sketchy
  • Spacelab
  • United
  • Yeti
  • Zephyr
  • Dark
  • Cyborg
  • Darkly
  • Quartz
  • Slate
  • Solar
  • Superhero
  • Vapor

  • ברירת מחדל (ללא עיצוב (ברירת מחדל))
  • ללא עיצוב (ברירת מחדל)
כיווץ
מתמחים טופ
  1. דף הבית
  2. חשמל - כללי
  3. בית חכם
  4. בירור | חיבור מודול וויפי למנוע שער חשמלי

בירור | חיבור מודול וויפי למנוע שער חשמלי

מתוזמן נעוץ נעול הועבר בית חכם
2 פוסטים 1 כותבים 93 צפיות 1 עוקבים
  • מהישן לחדש
  • מהחדש לישן
  • הכי הרבה הצבעות
תגובה
  • תגובה כנושא
התחברו כדי לפרסם תגובה
נושא זה נמחק. רק משתמשים עם הרשאות מתאימות יוכלו לצפות בו.
  • A מנותק
    A מנותק
    ARI
    כתב נערך לאחרונה על ידי
    #1

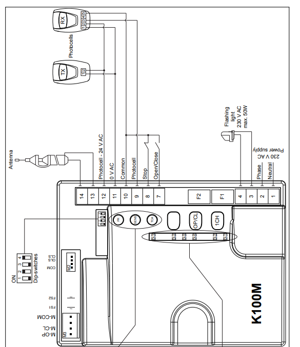
    TAU K100M
    2072c683-aa0b-4431-8acc-8bc1973df9b1-image.png
    רוצה לחבר את המודול הזה לפיקוד
    434f2978-033c-462c-a2a7-38a4b4f6c639-image.png
    הפיקוד של המנוע
    68d08bd3-624d-4273-84fa-e2ae2e4b06c1-image.png
    חיבור com ל 10 ו no ל 7 או 11?

    A תגובה 1 תגובה אחרונה
    0
    • A ARI

      TAU K100M
      2072c683-aa0b-4431-8acc-8bc1973df9b1-image.png
      רוצה לחבר את המודול הזה לפיקוד
      434f2978-033c-462c-a2a7-38a4b4f6c639-image.png
      הפיקוד של המנוע
      68d08bd3-624d-4273-84fa-e2ae2e4b06c1-image.png
      חיבור com ל 10 ו no ל 7 או 11?

      A מנותק
      A מנותק
      ARI
      כתב נערך לאחרונה על ידי
      #2

      קיבלתי מייל משירות הלקוחות לחבר ל 7 ו 10

      תגובה 1 תגובה אחרונה
      0

      • התחברות

      • אין לך חשבון עדיין? הרשמה

      • התחברו או הירשמו כדי לחפש.
      • פוסט ראשון
        פוסט אחרון
      0
      • חוקי הפורום
      • פופולרי
      • לא נפתר
      • משתמשים
      • חיפוש גוגל בפורום
      • צור קשר